Long slow day… sharp wind and cold, like winter wants a second chance. Spent the day working around the house.. various household chores, wood,etc and did some geek chores as well. First cleaned my lab,
Then Got an iPhone app for work building successfully.. Colleagues in research built it.. my first attempt to learn SWIFT.. so far I like it !

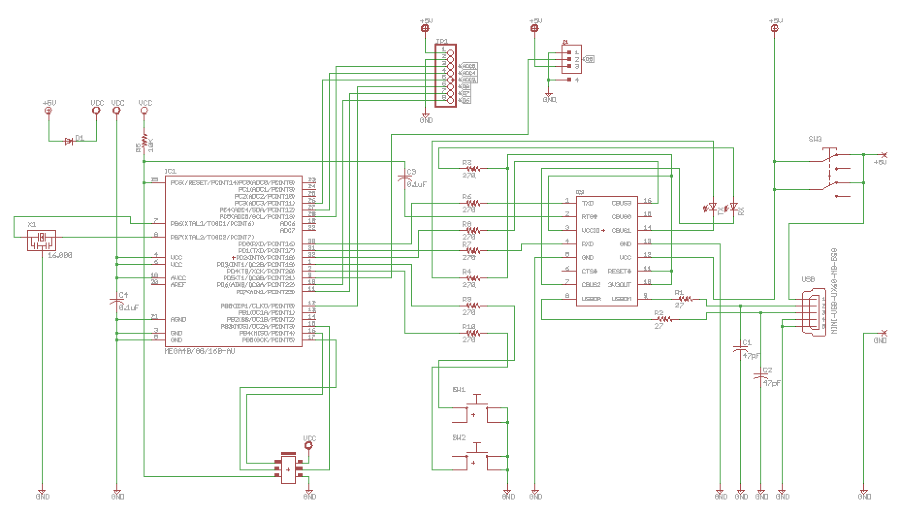
Did some fix up on a circuit board for my light up glasses. These are the cool kind from Macetech that my good buddy Lisa turned me on to.. I’m working to get them tied in to our IoT cloud..
It’s a great open source design.. Enjoy seeing the care that went in to it


I also did some more testing of an IoT Blockchain device .. last night was the first time i used it in the car.. .. Tracked us driving downtown. A very simple demo, I know.. but it’s still cool to have data flowing all the way through

I love that my work and my play are getting more fused together
nite all, nite sam
-me