LOng complicated day with a good ending.. for me at least
I wokle at Sue and Jims and got to admire the view from their house !
I hurried back to the sierra to meet everyone for breakfast.. Because it was starting to look like I would not make it out to the playa this trip, I had an early flight ohoemn on Tuesday to make kevin and marges wedding.. If we/i didn’t get on the playa today, it might not be worth making the trip
For that reason, i’d agreed to give two sets of classes.. Light School and Fire School.. in case I might not be there to help with set up and operation of the fire and lights.
we started with Light school where we went through all the assembly , wiring and testing of the nearly 1100 led strips, the ‘cluthulu’ pixel controller (a pixcon 16 MKII if anyone is interested). Our sparkling new Onlogic K800 ruggedized fan-less computer, the Entek Light mapping (ELM) software, the wireless access point that linked in the iPad to control the software and two levels of back up devices in case that failed.. .. We (marie, aaron S, rebar, gizzo and jack) went through all of Maries beautiful maps of the lights , schematics, player screens.. ..stuff like this..



That took about 2 hours then we did fire School .. I had to prep the fire folks for the registration process at the department of mutant vehicles (DMV) where they safety inspect the fire elements. I’ve built a bunch of fire devices, but never had to go through the approval at burning man. They can ask you anything about the component ratings, fires protocols, failsafes, etc.. i have heard many horror stories of cars being turned away for not passing their fire safety tests.. and didn’t want that to be us !
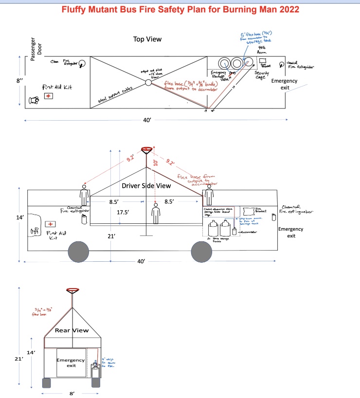
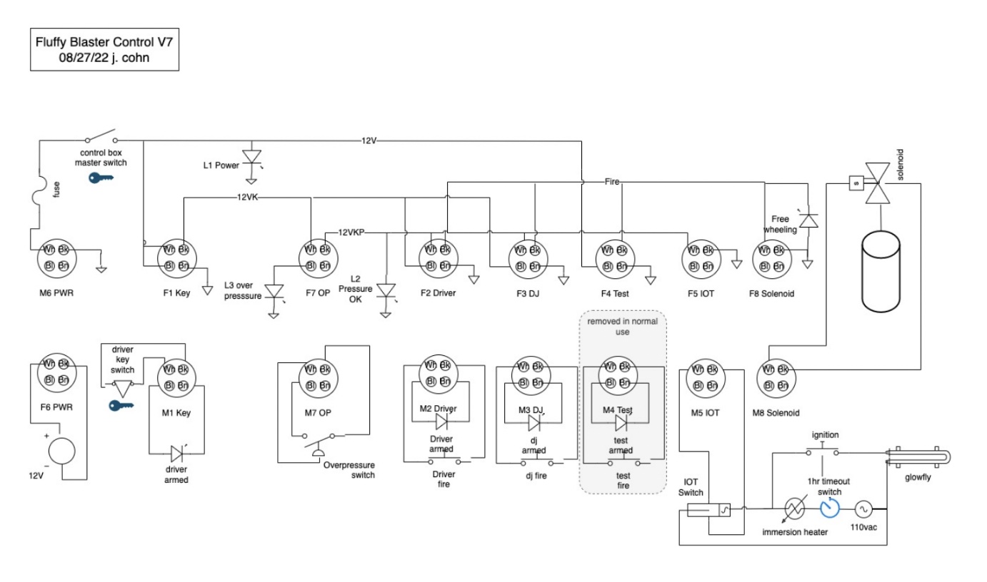
we (rebar, gizzo, .. who else ?) went through all the safety docs that James and I had put together (I’ll be forever grateful to James for all the work he did in helping us write the safety docs !!!!!). We went through the set up (which Rebar already new well).. testing, start up, tank changes and most importantly the emergency procedures. Even though fluffy only has a sing simple poofer, we carry 200 pounds of propane and shoot 10 feet of flame.. safety is a big deal. There has to be a sober person with her/his hands on the control at all times the device is running. Here are some of the docs we went through.. Again.. a ton of stuff

Im happy to see the peoples did wonderfully and the classes went well. After my room light score the rest of us headed over to the storage container again with all of our crew had turned off for the actual packing for the rest of the camp.. it was so great seeing everyone
while we were packing I had sort of an epiphany.. I realize if I got out to apply today I could actually go work with Max and Becky other project and still see a little bit at the Bernie name before I had to go. It turns out that Duane had to drive to Black Rock to pick up some will call tickets not just for me but for a bunch of other people who have to go the next day during Introdus. Getting them today before the pie was officially open which save countless hours the next day… So Duane seen my eagerness to go and see Max and the benefit of picking up these tickets agreed to take me to 90 miles to the choir and drive back on his own. What a guy with all he has on his mind. Anyway I quickly gather my gear I borrowed a sleeping bag and other essentials.. and we took off for the playa..
a completely different day than anyone was expecting !
I really enjoyed the drive out with Duane.. he’s such an amazing man.. It was fun getting to hang out with him for a bit.. I felt like I was riding with the King !
the ride out to the gate was amazingly fast… About an hour and a half from Reno… But then we got hung up at the gate temporary closed the entrance. We got our tickets and Duane very kindly drove me in to our camp. That was no small tasking given the sandstorm… But eventually he was able to drop me off say hello and then head straight back to Reno. That’s a long hard drive back especially with a sandstorm blowing.. but he did it and will always appreciate that given all else he had on his mind !
I quickly set up a makeshift camp thanks to Lara (PingPongs) grai=cious lending of a hexayurt tent. It was great getting to know her boyfriend Stephan and his sons Silas who just turned eight. They were so nice… Green spaghetti and then I head out in search of Max and Becky
It was great being out on the playa before the crowds… It was a little like my own private burning man..
Eventually found Becky but never ran into Max at night…. beres the peice they were helpign with.. it’s called the Fera Beast.. and its amazing.. made out of steel and tires..
I deffintely felt “home”
I got back to campe around 3 and slept great !
more from the playa tomorrow !
nite all, nite sam
-me





























